|
|
|
|
Detalhes do produto:
Condições de Pagamento e Envio:
|
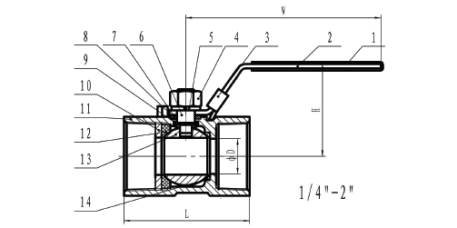
| Tamanho: | 1/4" | Materiais: | 316 de aço inoxidável |
|---|---|---|---|
| Thread: | Linha fêmea de BSP | Pressão: | 6.3Mpa/1000PSI |
| selo: | ptfe | Punho da válvula: | Vinil |
| Destacar: | válvula de bola da solda de extremidade,válvula de bola dos ss |
||
Descrição do produto
a válvula de bola 1PC é usada para controlar o meio (água, petróleo e gás), lá é bola da válvula dentro do corpo de válvula. Girando a haste, a válvula pode ser aberta ou fechado, assim que o fluxo pode ser controlado desta maneira. O selo da válvula de bola pode ser selo duro ou o selo macio (PTFE). A válvula de bola macia do selo pode ter “0" escapando. Se há uma exigência alta na selagem, a válvula de bola macia do selo é melhor.
Devido ao projeto do corpo, válvula de bola 1-PC é o furo reduzido.
O material pode ser 304 de aço inoxidável ou 316.
Padrão de projeto: ANSI B 16,34
Pressão de funcionamento: Até 6.3MPA
Detalhes do produto
![]()
Detalhes da especificação

| Tamanho | D | L | H | W | S |
| 1/4" | 4,6 | 39 | 31 | 65 | 17 |
Pessoa de Contato: admin